Tipe:100A fase tunggal 4P rel latching relay
Rated saiki:100A
Tegangan drive:6VDC-48VDC
Sampling resistance:200 mikro-ohm (μΩ)
Cara instalasi:instalasi rel standar DIN
Kisaran suhu operasi:-20°C nganti 60°C
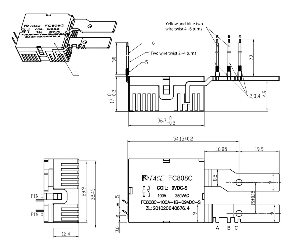
ukuran:Deleng gambar produk kanggo ukuran tartamtu




















